Запасные части ЧТЗ Запасные части ЧТЗ
Ставрополь
Например:
Актобе
Алдан
или
Выбрать автоматически
Актобе
Алдан
Алматы
Алчевск
Архангельск
Астана
Астрахань
Атырау
Баку
Балашиха
Барнаул
Белгород
Бердянск
Бишкек
Владивосток
Владикавказ
Воркута
Воронеж
Горловка
Грозный
Донецк
Екатеринбург
Иваново
Ижевск
Иркутск
Казань
Калининград
Каменск-Уральский
Караганда
Каховка
Кемерово
Киров
Комсомольск-на-Амуре
Костанай
Краснодар
Красноярск
Красный луч
Ленск
Луганск
Магадан
Магнитогорск
Макеевка
Махачкала
Мелитополь
Минск
Мирный (Якутия)
Москва
Мурманск
Нерюнгри
Нижневартовск
Нижний Новгород
Нижний Тагил
Новая каховка
Новокузнецк
Новосибирск
Новый Уренгой
Норильск
Ноябрьск
Нур-Султан
Омск
Оренбург
Ош
Павлодар
Пермь
Петрозаводск
Петропавловск
Петропавловск-Камчатский
Псков
Ростов-на-Дону
Салехард
Самара
Санкт-Петербург
Саратов
Севастополь
Семей
Симферополь
Сочи
Ставрополь
Сургут
Сыктывкар
Тараз
Ташкент
Токмак
Томск
Тында
Тюмень
Ульяновск
Усинск
Усть-Каменогорск
Уфа
Хабаровск
Ханты-Мансийск
Херсон
Челябинск
Чита
Шымкент
Экибастуз
Энергодар
Южно-Сахалинск
Якутск
Ваш город
Ставрополь
Войти
Запасные части к тракторам на одном сайте
+7 (932) 303-00-10
+7 (932) 303-00-10
г. Ставрополь, Кулакова проспект, д. 28Б
Пн-Пт: 9:30-18:30 Cб-Вс: Выходной
Отправить заявку


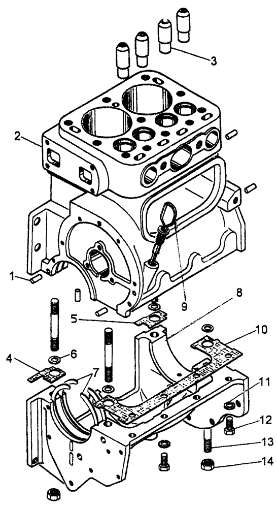
Блок-картер пускового двигателя на Т10М / Б10М


/
с НДС 20%
Описание
Блок-картер пускового двигателя Т10М
#Номер запчастиНаименование деталиКол-во в сборке
1700-32-2196Штифт 2,8×206
217-01-109 1Блок цилиндров1
301504Втулка клапана4
440302Прокладка1
540303Прокладка1
601207Дистанционная шайба4
750-12-538
-
Кольцо
Кольцо В90
2
817-01-110 1Поддон1
917-01-162СПЛинейка масломерная1
1040304Прокладка1
11-Шайба 10 ОТ 65Г 094
12-Болт М10x25.58.0194
1329466-01Шпилька4
143082Гайка4
1 Заказывать 17-01-164СП Блок-картер.
Блок-картер пускового двигателя